WINGO CRYO TANKS

Cryogenic Tanks

Let us show you how our cryogenic storage tanks are produced, inspected, and delivered. Don’t hesitate to contact us at any time.

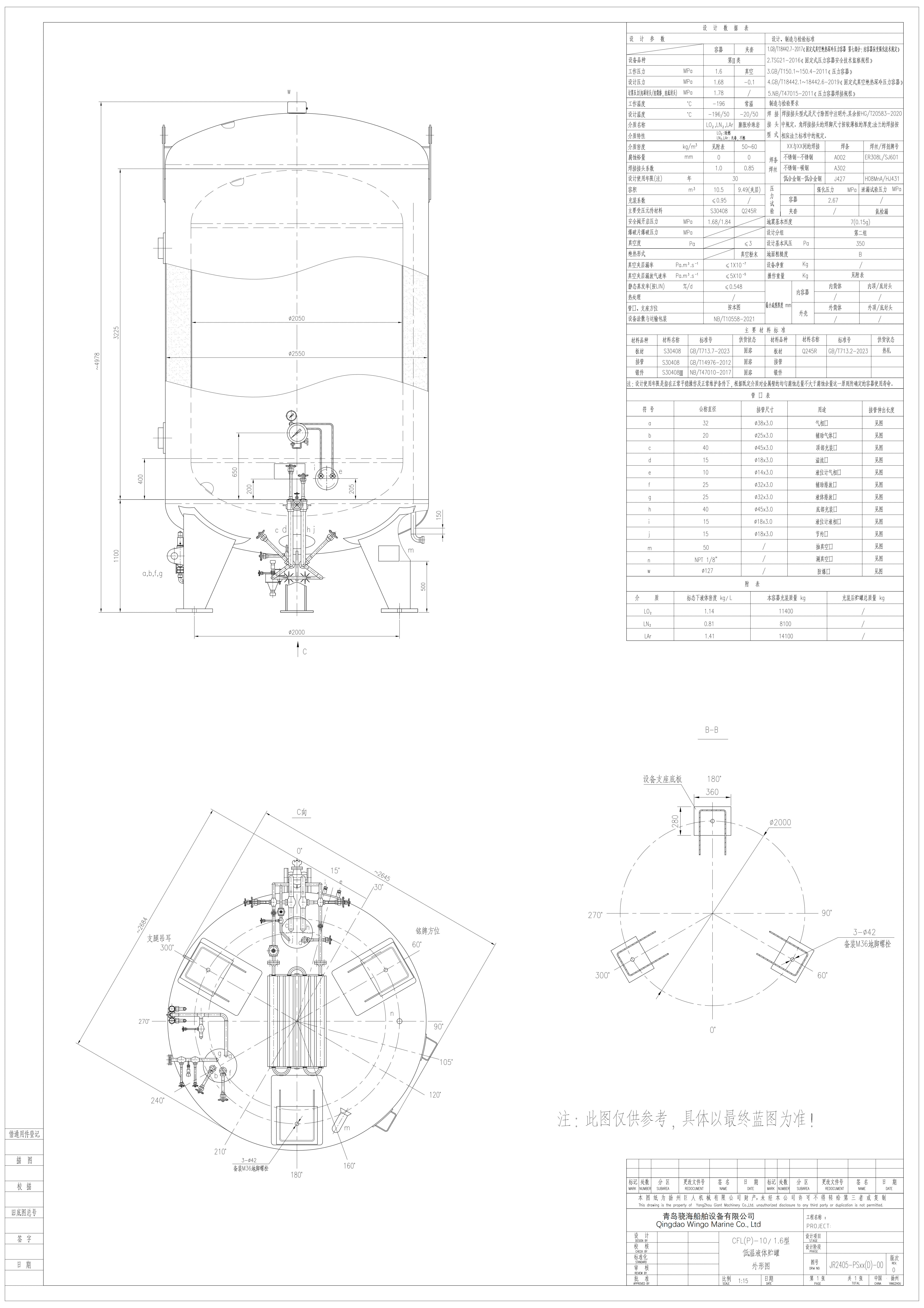
  • The cryogenic tanks comprise an S30408 stainless steel inner container, a Q345R (or Q245R) low-alloy structural steel outer cylinder, an inner and outer cylinder support structure, and a vacuum insulation sandwich structure. They are used to store LN2, LO2, LAr, and LCO2.
  • LN2, LO2, and LAr cryogenic tanks are divided into vertical and horizontal structural types, with vertical storage tanks being the primary type.
  • Vacuum powder insulation is used.
  • Designed and manufactured by national standards GB150 “Pressure Vessels,” GB18442 “Cryogenic Insulated Pressure Vessels,” and “Safety Technical Supervision Regulations for Fixed Pressure Vessels.” The exported products have been designed and manufactured according to ASME or GB standards.
  • WINGO cryogenic storage tank has reasonable structures, good insulation performance, long-lasting stability, safety, reliability, and easy maintenance.

Tip: Choose 1080p playback for an enhanced viewing experience.

Technical Specification of Cryogenic Tanks (LO2, LN2, LAr)

Effective volume(m³)LN2/LO2/LAr Storage Tanks
51015203050100150200250
Working pressure(Mpa)0.2/0.8/1.6/2.2/3.2/3.5
Filling rate (%)95
Adiabatic SystemVacuum powder/High vacuum multilayer winding insulationVacuum powder insulation
Support structureSteel pipe supportSteel pipe support/Sling construction
Inner, outer vessel materialQ30408, Q345R/Q245R
Inner vessel processNational standard/strainNational standard
Design CodeGB150/GB18442 (ASME for overseas)
Vacuum factory standard (Pa)135
Basic ConfigurationRoot valve, level gauge, pressure gauge, explosion-proof device, Vacuum valve, vacuum silicon tube
PaintJotun/PPG

Technical Specification of Cryogenic Tanks (LCO2)

Effective volume(m³)LCO2 Storage Tanks
51015203050100150200
Working pressure(Mpa)2.2
Filling rate (%)95
Adiabatic SystemVacuum powder insulation
Support structureSteel pipe supportSteel pipe support/Sling construction
Inner, outer vessel material16MnDr, Q345R/Q245R
Inner vessel processNational standard
Design CodeGB150/GB18442 (ASME for overseas)
Vacuum factory standard (Pa)135
Basic ConfigurationRoot valve, level gauge, pressure gauge, explosion-proof device, Vacuum valve, vacuum silicon tube
PaintJotun/PPG

Technical Specification of Cryogenic Tanks (LNG)

Ddsign volume(m³)20305060100150200250300
Effective volume(m³)1827455490135180225270
Working pressure (Mpa)0.6/0.7/0.8/1.2
Filling rate (%)90
Adiabatic SystemVacuum powder/High vacuum Multi-layer winding insulationNational standard
Support structureSteel pipe supportSteel pipe support/Sling construction
Inner | outer vessel materialQ30408 | Q345R
Inner vessel processNational standard/StrainNational standard
Design CodeGB150/GB18442 (ASME for overseas)
Vacuum factory standard (Pa)135
Basic ConfigurationRoot valve, level gauge, pressure gauge, explosion-proof device, Vacuum valve, vacuum silicon tube
PaintJotun/PPG

 

Self-owned Workshop

We own our workshops and save about $800,000 a year in rent. That would be a cost reduction of about $2,000 per unit.

Experienced Staffs

Most ngineers and workers are from the top cryogenic storage tank manufacturers, such as Charter, Hang Oxygen, Jiang Oxygen, CIMC, etc.

100% Inspection of Weld Seam

Each weld seam was inspected using X-rays, and the quality engineer confirmed no cracks, bubbles or impurities.

Third Party Detection

Third-party (CCS, ABS, BV, DNV, etc.) testing or testing by customer engineers is welcome.

One Stop Service

One-stop service covering the design, production and transportation of cryogenic tanks. Save your time and costs.

Digital Managment

The digital liquid level gauge replaces the traditional liquid level gauge and uses a SIM card to transmit the liquefied gas information to the mobile phone APP. One mobile phone can manage hundreds of cryogenic tanks. Super friendly to gas suppliers.

Supply Chain Advantages

We supply cryogenic tanks to the global market, including China, with an annual output of over 1,000 sets. Our vast production capacity enables us to purchase large quantities when steel prices are low and gives us a price advantage when purchasing valves and meters.

Free Certificates of Origin

We offer various certificates of origin for free and quickly. The correct certificates of origin can reduce import tariffs and make your business more competitive.

Projects

The warranty term is one year. The design life is twenty years. 
We provide free technical guidance during the service life and the best price for the repair of spare parts.

Depending on the size of the cryogenic tank, flat rack containers or open-top containers will be used.

We have professional loading workers, drivers, and freight forwarders who can provide one-stop service. Click to learn more.

Yes, we can apply for and provide free-of-charge certificates of origin issued by China Customs or the China Council for the Promotion of International Trade, including CO, FORM A/GSP, FORM E, FORM F, etc. Please click to learn more.

We support EXW, FOB, CIF, etc. Let us talk about your needs and make the most suitable price terms.

We support T/T, sight L/C, cash, West Union, Monygram, etc. Please click to learn more.

Related Products

Send Your Inquiry Today

Our senior sales engineer Tony or his assistant Miss Eva will reply to your email within 12 hours. 

Please note the email with “@wingomarine.com”.